Anabsorption chilleris a machine that produces chilled water by using the residual heat from sources such as steam, hot water or hot gas. Chilled water is produced by the principle of refrigeration that liquid (refrigerant), which evaporates at low temperature, absorbs heat from its surrounding environment while evaporating. Pure water is usually used as refrigerant, whereaslithium bromide (LiBr) solutionis used as absorbent.
如何absorption chiller systems work
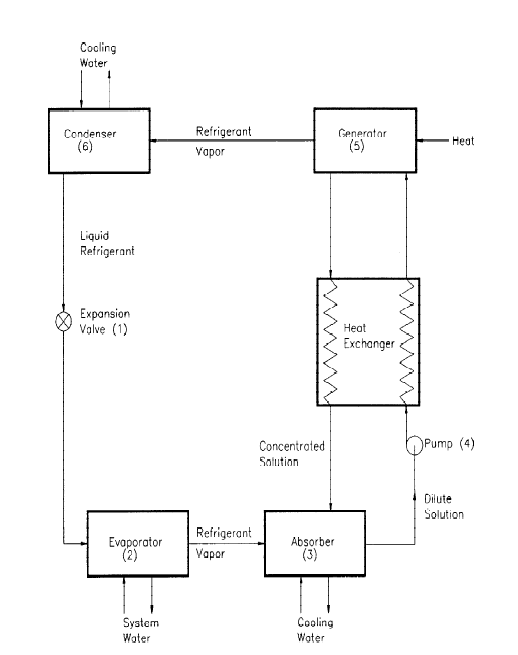
In absorption refrigeration systems, an absorber, generator, pump, and heat exchanger replace the compressor ofvapor compressor refrigeration (mechanical refrigeration) systems. The other three (3) components found also inmechanical refrigeration systems, i.e. expansion valve, evaporator and condenser are also used in absorption refrigeration systems.
Evaporation stage of absorption chillers
Refer to figure-2 for schematic explanation of the absorption refrigeration process. Similar to mechanical refrigeration, the cycle “begins” when high pressure liquid refrigerant from the condenser passes through an expansion valve (1, in figure-2) into the lower-pressureevaporator(2, in figure-2) and collects in the evaporator sump.
在这个低压,少量的上班erant flashes to vapor. This process of vaporization cools the remaining liquid refrigerant. In a similar way, the transfer of heat from the comparatively warm process water to the now cool refrigerant causes the latter to evaporate (2, in figure-2), and the resulting refrigerant vapour is driven to the lower-pressureabsorber(3, in figure-2). As the process water looses heat to the refrigerant it can get cooled to significantly low temperatures. In this stage chilled water is actually produced by evaporation the refrigerant.
Absorption stage of absorption chillers
Absorption of refrigerant vapor into lithium bromide is an exothermic process. At the absorber, the refrigerant is “soaked up” by an absorbent lithium bromide (LiBr) solution. This process not only creates a low-pressure area that draws a continuous flow of refrigerant vapor from the evaporator to the absorber, but also causes the vapor to condense (3, in figure-2) as it releases the heat of vaporization provided in the evaporator. This heat, along with the heat of dilution produced as the refrigerant condensate mixes with the absorbent, is transferred to the cooling water and released in the cooling tower. Cooling water is a utility in this stage of refrigeration.
Regeneration of lithium bromide solution
As the lithium-bromide absorbent soaks up the refrigerant,it becomes more and more diluted, reducing its ability to absorb more refrigerant. In order to continue the cycle, the absorbent must be re-concentrated. This is accomplished by constantly pumping (4, in figure-2) dilute solution from the absorber to thelow temperature generator(5, in figure-2), where the addition of residual heat (hot water, steam, or natural gas) boils the refrigerant from the absorbent. Often this generator is used to recover waste heat from the plant. Once the refrigerant is removed, the re-concentrated lithium bromide solution returns to the absorber, ready to resume the absorption process and the free refrigerant is sent to a condenser (6, in figure-2). In this regeneration stage, waste heat from steam or hot water is an utility.
Condensation of the refrigerant
The refrigerant vapor boiled off in the generator (5, in figure-2) goes back to thecondenser(6), where it returns to its liquid state as the cooling water picks up the heat of vaporization. The refrigerant then returns to the expansion valve where the full cycle is completed. In the condensation stage cooling water is again an utility.
不同的技术对吸收式制冷机
Absorption chillers can be single effect, double effect, or the latest development, which is triple effect. Single effect machines have a single generator (please refer to the schematic above, figure-2) and have aCOPvalue smaller than 1.0. Double effect machines have two generators and two condensers and are more efficient (typical COP values > 1.0). Triple effect machines add a third generator and condenser and are the most efficient: typical COP value > 1.5.
Pros and cons of absorption chiller systems
The primary advantage of absorption chillers is lower electricity costs. Costs can be even further decreased if natural gas is available at a low price or if we can utilize a source of low grade heat that is otherwise wasted in a plant.
Two basic disadvantages of absorption chillers are their size - weight, as well as their requirement for larger cooling towers. Absorption chillers are larger and heavier compared to electric chillers of the same capacity.







