Vapor Compression Refrigeration uses mechanical energy by repeating compression and expansion of coolant fluid to achieve cooling byJoule–Thomson effect. A majority of big refrigeration systems in use nowadays use theVapor Compression Refrigeration (VCR) cycle.
Vapor compression refrigeration cycle is widely used in the air conditioners, heat pumps andHVAC systems.
We will try to present below the basic characteristics of VCR cycle:
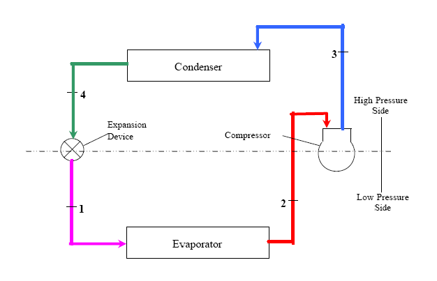
Figure 1 - Typical schematic of a Vapour Compression Refrigeration (VCR) cycle
Evaporation Stage of refrigeration
From points 1 to 2 on figure-1, low-pressure liquid refrigerant in theevaporatorabsorbs heat from its surrounding environment, usually air, water or some other liquid and gets evaporated into gas. As such, the refrigerant is slightly superheated at the outlet of the evaporator. The evaporating liquid absorbs heat from the surroundings, thus performing the cooling or refrigeration duty for the surrounding air, water or other medium. This is where the refrigeration actually occurs.
Compression of the refrigerant
From point 2 to 3 on figure-1, the superheated vapor from evaporator enters thecompressorwhere its pressure is increased due to compression. The temperature also typically increases, since a part of the energy put into the compression process is transferred to the refrigerant.
Condensation of pressurized refrigerant
From point 3 to point 4 on figure-1, the pressurized and superheated gas from compressor outlet is sent to acondenser. The initial part of the cooling process (3-3a in figure-2) de-superheats the gas before it is then turned back into liquid (3a-3b in figure-2). The cooling for this process is usually accomplished by use of air or water. A further reduction in temperature happens in the pipe work and liquid receiver (3b-4 on figure-2), so that the refrigerant liquid issub-cooledas it enters theexpansion device. This step is where the heat absorbed from process fluid at the evaporation stage is vented out to atmosphere, as indicated in figure-2.
Expansion of the subcooled and highly pressurized refrigerant
From point 4 to point 1 on figure-1, The high-pressure sub-cooled liquid passes through the expansion device, which reduces its pressure as well as controls the flow into the evaporator. The process is repeated from now in cycle.







