吸收式制冷系统或吸收式制冷机吸收式冷水机利用工艺装置的余热生产冷冻水。制冷剂一般采用纯净水,吸附剂采用溴化锂溶液。吸收式制冷循环的一般步骤有:制冷剂蒸发、溴化锂吸收制冷剂蒸气、利用余热再生溴化锂溶液、蒸汽冷凝等。
制冷剂的基本要求-制冷剂是制冷过程中使用的一种化合物,它在从气体到液体然后再返回的过程中发生相变。所使用的制冷剂的选择在大多数情况下都要根据具体项目和要求仔细考虑。在为特定的制冷工艺选择制冷剂时,需要考虑制冷剂化合物的多种因素,如毒性、可燃性、爆发性、臭氧损耗潜力、露点压力、腐蚀性等。
类型的制冷剂-最常用的制冷剂类型是-卤碳或氟利昂、共沸制冷剂、共沸制冷剂、无机制冷剂(如二氧化碳、氨、水、空气等)和碳氢制冷剂。
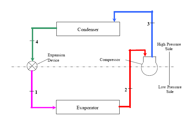
蒸汽压缩制冷(VCR)循环-目前使用的大部分大型制冷系统采用蒸汽压缩制冷(VCR)循环。VCR利用机械能(通过压缩机)作为制冷的动力。典型的蒸汽压缩制冷循环过程为液态制冷剂蒸发、制冷剂蒸气压缩、制冷剂蒸气冷凝、冷凝后制冷剂通过膨胀阀膨胀。

添加评论