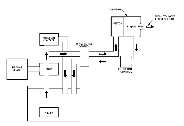
在液压系统中,油箱中的油被储存在油箱中,然后从油箱中泵出来驱动活塞。过滤器通常安装在泵的吸入口,以便过滤掉任何杂质。这种泵,通常是齿轮式或容积式泵,通常由电动马达驱动(很少使用空气马达)。
液压系统如何工作
这台泵使油压升高。大多数液压系统都配有防止超压的装置。其中一种方法是将泵送的液压油返回油箱。下图所示的压力控制箱是一个典型的溢流阀,在超压情况下,油通过溢流阀返回油箱。
高压泵送的油流过控制阀(见方向控制箱)。控制阀可以改变油流的方向,这取决于对负载的期望动作。通过改变活塞施加油压的一侧,负载可以向左或向右移动(见图1)。进入气缸的油对活塞施加压力,从而在活塞杆上产生力。活塞杆上的力使负载运动。油从活塞的另一侧返回油箱。
图1 -典型的液压系统布局
液压活塞的数学方程
液压活塞上的压力与力的关系可以用以下简单的数学方程表示:
力(F) =压力(P) x活塞截面积(A)
液压系统的安全考虑
任何加压介质的使用都有潜在的危险。液压系统承担了加压系统的所有风险。必须始终安装防止超压的保护装置(最常见的是溢流阀和液压蓄能器)。
关键的安装,例如燃气轮机润滑系统的液压油系统,通常需要安装多余的设备,即2*100%的液压泵。
在高压液压系统中,油作为一种流体,存在着火或爆炸的可能性。如果高压管道泄漏,石油被蒸发到大气中,可能会发生严重的火灾危险。在管道破裂或泄漏风险高的地方,应采取额外的防火措施。如果油是由压缩空气加压的,那么当高压空气与油接触时,就存在着潜在的爆炸危险。严格执行预防性维护和健康与安全计划是防范此类危害的最佳措施。
液压系统的频繁应用
液压系统应用广泛,如汽车和其他车辆的液压制动器,重型机械,如推土机起重机和叉车,飞机(使用液压机构部署起落架)和潜艇(液压系统用于操作鱼雷发射管和其他关键功能)只是使用液压系统的几个实际例子。





