脱矿剂或离子交换器是能够容纳离子交换树脂的设备。水净化使用不同类型的脱盐剂。
软化器的作用
电厂流体系统中溶解的杂质和杂质颗粒会产生腐蚀问题,从而降低腐蚀的发生热交换器效率由于污染相关的热交换器表面。水的脱矿是去除溶解杂质最常用的方法之一。
脱盐剂或离子交换剂
脱矿剂或离子交换器是能够容纳离子交换树脂的设备。去矿化作用或离子交换指的是固体物质(称为树脂)和水溶液(合成水)之间的离子交换。离子交换树脂由非常小的珠子组成,称为树脂珠子,平均直径为0.010毫米或更小。经过一段时间后,离子交换树脂就会耗尽,必须进行再生。在再生,使用酸溶液(用于阳离子交换单元)和碱溶液(用于阴离子交换单元),用水适当稀释,通常分布在树脂上。再生通常是一个多步骤的过程,还包括反冲洗和漂洗阶段,以去除任何夹带的颗粒。
脱盐剂或离子交换剂的类型
离子交换剂一般分为两类:单人床离子交换剂和混床离子交换剂.
最常见的设计参数或脱矿剂是导电性。混合床脱盐器出口处的脱盐水的典型电导率值小于0.1 μS/cm。除盐剂的其他典型设计参数还包括除盐剂水中的二氧化硅、铜、铁和钠。
脱矿剂或离子交换剂的配置
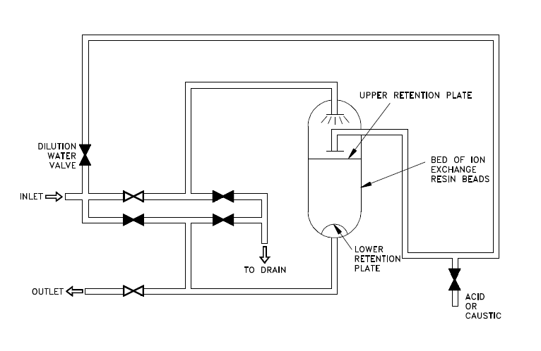
脱盐器基本上是一个圆柱形水箱,顶部连接进水和树脂添加,底部连接出水口。树脂元件由上、下保留元件储存在脱矿器中,这些保留元件是比离子交换树脂元件网眼小的过滤器。被净化的水以特定的流速进入顶部,并通过树脂元件向下流动,在那里流动被过滤,并发生化学离子交换。去离子水从底部出口抽出。
单人床软化器
单床脱盐剂包含阳离子树脂元素(阳离子是带正电荷的离子:常见的阳离子包括Ca++, Mg++, Fe++和H+)或阴离子树脂元素(阴离子是带负电荷的离子:常见的阴离子包括Cl-, SO-和OH-)。因此,阳离子树脂是交换正离子的树脂,而阴离子树脂是交换负离子的树脂。
在大多数情况下,有两个单床离子交换器串联安装;第一个是阳离子层,第二个是阴离子层。
植物水中的杂质被阳离子床层中的氢离子和阴离子床中的羟基离子所取代。然后氢离子和羟基离子结合形成纯水。
图1 -典型的单层脱矿剂示意图
混合床软化器
混合床脱盐剂是一种将阳离子和阴离子树脂珠混合在一起的脱盐剂。它相当于若干个两步脱矿剂串联在一起。在这种类型的脱盐剂中,更多的杂质被氢离子和羟基离子所取代,产生的水可以非常纯净。因此,采出水的电导率可以达到0.05 μS/cm,甚至更低。混合床式脱盐剂的再生通常比单床式脱盐剂的再生更为复杂。
图2 -典型混合床脱矿剂示意图







