吸收式制冷系统或吸收式制冷机—吸收式冷水机利用过程工厂的余热生产冷冻水。通常使用纯水作为制冷剂,而溴化锂(LiBr)溶液作为吸收剂。吸收式制冷循环的一般步骤有:制冷剂蒸发、溴化锂吸收制冷剂蒸汽、利用余热再生溴化锂溶液、冷凝蒸气等。
制冷剂的基本要求-制冷剂是在制冷过程中使用的一种化合物,它会经历从气体到液体再回到液体的相变过程。所使用的制冷剂的选择在大多数情况下是具体项目的,需要仔细考虑。针对特定的制冷工艺选择制冷剂时,需要考虑制冷剂化合物的毒性、易燃性、易爆性、臭氧损耗电位、露点压力、腐蚀性等多种因素。
类型的制冷剂-最常用的制冷剂类型有-卤碳或氟利昂、共沸制冷剂、共沸制冷剂、二氧化碳、氨、水、空气等无机制冷剂和碳氢制冷剂。
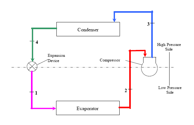
蒸汽压缩制冷(VCR)循环-目前使用的大多数大型制冷系统都使用蒸汽压缩制冷(VCR)循环。VCR利用机械能(通过压缩机)作为制冷的驱动力。典型的蒸汽压缩制冷循环经过以下步骤:液体制冷剂的蒸发,制冷剂蒸汽的压缩,加压制冷剂蒸汽的冷凝,最后通过膨胀阀使冷凝的制冷剂膨胀。

添加评论